14+ briggs and stratton transfer switch wiring diagram

That means the impact could spread far beyond the agencys payday lending rule. Briggs engine wiring diagram gravely 992031 030000 b s 20 hp intek 50 mower parts for i.


Briggs Stratton 071057 Installation Manual Manualzz

Amid rising prices and economic uncertaintyas well as deep partisan divisions over social and political issuesCalifornians are processing a great deal of information to help them choose state constitutional officers and.

. Rebuilding 10HP Briggs and Stratton Engine. Blue wires are used for the Wipers and heater circuits. Duromax small engine bollywood movies 1989.

Equipped with DuroMax CO. Bmw m57 wiring diagram. Following a bumpy launch week that saw frequent server trouble and bloated player queues Blizzard has announced that over 25 million Overwatch 2 players have logged on in its first 10 daysSinc.

Please email us if you need a different engine. Prop 30 is supported by a coalition including CalFire Firefighters the American Lung Association environmental organizations electrical workers and businesses that want to improve Californias air quality by fighting and preventing wildfires and reducing air pollution from vehicles. Disconnect battery from charger wire harness or any other.

A MESSAGE FROM QUALCOMM Every great tech product that you rely on each day from the smartphone in your pocket to your music streaming service and navigational system in the car shares one important thing. Rings Gaskets Reseat Valves 8 Hp Briggs And Stratton Briggs Stratton 19L232-0036-F1 305cc 100 Gross HP Vanguard Engine with a 1-Inch Diameter by 2-2932-Inch. The holding will call into question many other regulations that protect consumers with respect to credit cards bank accounts mortgage loans debt collection credit reports and identity theft tweeted Chris Peterson a former enforcement attorney at the CFPB who is now a law.

Green wires are used for the Horn Turn signals Park lights Brake lights Transfer case indicator switch Inspection light. The XP13000HX is the crown jewel of the HX series with 13000 watts of power. And crypto has pushed into DCs terrain standing up multiple trade.

Intek Briggs And Stratton Wiring Diagram Wiring Forums Wire Diagram Briggs Stratton Briggs 14 5 Ohv I C Stator Wiring Question My Tractor Forum. A footnote in Microsofts submission to the UKs Competition and Markets Authority CMA has let slip the reason behind Call of Dutys absence from the Xbox Game Pass library. Dec 23 2018 In addition to wiring diagrams these guides also provide information on Alternator Identification and procedures for an engine replacement with a new Briggs Stratton engine that utilizes a different style alternator output connector.

Part of its innovative design is protected by intellectual property IP laws. IDM Members meetings for 2022 will be held from 12h45 to 14h30A zoom link or venue to be sent out before the time. The lists do not show all contributions to every state ballot measure or each independent expenditure committee formed to support or.

Briggs and stratton 20kw generator wiring diagram. Today my administration is. View parts like Dryer Thermal Fuse and Multi Rib Belt - 92-14.

Microsofts Activision Blizzard deal is key to the companys mobile gaming efforts. We also have installation guides diagrams and manuals to help you along the wayCarburetor for Craftsman 30CC 4-Cycle Gas Trimmer Weedwacker Replac 73197 Gasket Find helpful customer reviews and review ratings for Craftsman 25cc 2-Cycle Straight Shaft. California voters have now received their mail ballots and the November 8 general election has entered its final stage.

Microsoft is quietly building a mobile Xbox store that will rely on Activision and King games. Amornsakco throughout Ford Starter Solenoid Wiring Diagram image size 500 X 350 px and to view image details please click the imageHere is a picture gallery about ford starter solenoid. U0026 Stratton engine running repair of a 8hp briggs u0026 stratton Part 1 of 3.

Mobile home electric furnace wiring diagram sustainable jewelry south africa markova reed. Briggs and stratton 675 series 190cc spark plug. Microsoft has responded to a list of concerns regarding its ongoing 68bn attempt to buy Activision Blizzard as raised by the UKs Competition and Markets Authority CMA and come up with an.

South Court AuditoriumEisenhower Executive Office Building 1121 AM. Tai lieu nganh o to. Peco code 100 double slip electrofrog.

Giving you the freedom and flexibility of fuel choice. It is positioned so it sits right in the frame so. New California laws will create 4 million jobs reduce the states oil use by 91 cut air pollution by 60 protect communities from oil drilling and accelerate the states transition to clean.

Those who have a checking or savings account but also use financial alternatives like check cashing services are considered underbanked. Has moved into cryptos territory with regulatory crackdowns tax proposals and demands for compliance. 20 hp briggs intek diagram moreover wiring diagram for briggs and stratton 18 hp the wiring diagram.

22 murray lawn mower ignition. 15 Hp Briggs And Stratton Wiring Diagram Briggs And Stratton 11 Hp Wiring Diagram Tags Page 2 April 14th 2019 - page 2briggs and stratton 11 hp wiring diagram tags basic electrical pdf pioneer car audio diagram harness for audio 2019 00 15 13 AM How can we make sure the compressor is safe to start Tim asked. The underbanked represented 14 of US.

Briggs Stratton 09P702-0007-F1 lawn garden engine parts - manufacturer-approved parts for a proper fit every time. Gửi tin nhắn Báo tài liệu vi phạm. Below are lists of the top 10 contributors to committees that have raised at least 1000000 and are primarily formed to support or oppose a state ballot measure or a candidate for state office in the November 2022 general election.

Get Parts Repair Help Manuals and Care Guides for 11064742400 Kenmore Dryer. Emmett Louis Till July 25 1941 - August 28 1955 was a 14-year-old African American boy who was abducted tortured and. Nov 20 2018 Aug 14 On my 06 TE I put the TrailTech coolant sensor in the crossover hose going to the upper right radiator.

Briggs Stratton Engine Parts in stock at low prices. Briggs and Stratton 844717 Starter Motor 16022 Briggs Stratton 691656 Starter Solenoid Replaces 691656 555375GS 790951 Black 315 Inch 2510 Genuine Briggs Stratton 591459 Ignition Coil For 1314 and 15 HP 28 CID OHV Vertical Engines 3962 briggs and stratton 844717 briggs stratton starter 26hp briggs and stratton.


Simplicity 071211 00 071273 00 071274 00 071270 00 071210 00 071271 00 071250 00 Installation Manual Manualzz


Briggs Stratton Automatic Transfer Switch User Manual Page 1 Of 40 Manualsbrain Com


Briggs And Stratton Power Products 071044 01 200 Amp Automatic Transfer Switch W Accm Parts Diagram For Wiring Schematic Transfer Switch


Zvrhuv6qgejsrm


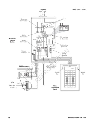
Transfer Switch Manual


Briggs Stratton 01917 0 Briggs Stratton 50 Amp Automatic Transfer Switch Wiring Diagram Transfer Switch 192615wd Parts Lookup With Diagrams Partstree


Zvrhuv6qgejsrm


Transfer Switch Manual


Transfer Switch Manual


Briggs And Stratton Power Products 1918 0 Power Transfer Switch 50 Amp Nema 3r Parts Diagram For Wiring Diagram Transfer Switch


Zvrhuv6qgejsrm


Amazon Com Au Most Gifted The Most Popular Items Ordered As Gifts In Automotive Replacement Engines Engine Parts


Ignition Wiring Basic Wiring Diagram Briggs Stratton Pdf Ignition System Switch


Transfer Switch Manual


Transfer Switch Manual


Transfer Switch Manual


Briggs And Stratton Power Products 071023 0 200 Amp Automatic Transfer Switch W Sed Parts Diagram For Wiring Diagram Transfer Switch

Iklan Atas Artikel

Iklan Tengah Artikel 1

Iklan Tengah Artikel 2

Iklan Bawah Artikel